Astor Airchief CR model car radio - restoration



Many will remember the monthly stories of the servicemen's difficult jobs,
as told in the pages of Electronics Australia magazine.
This time: conversion/restoration of a c1951 Astor "CR" car radio to re-install into a (12volt) FX 48/215 Holden sedan.
Upon initial inspection the radio had been converted from 6 volt to 12 volt operation.
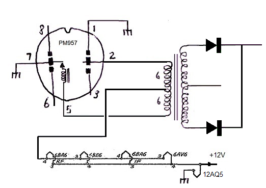
The original 6V vibrator and socket were replaced by a D^D branded PM957 12volt synchronous type
normally found in a WS122 military 2-way radio.
Although the radio did work and pick-up stations with reduced audio, current drain was excessive at > 6A



Manufacturers schematic (click to enlarge).


The conversion displayed very poor soldering, with some component terminations going nowhere.
By studying the schematic and the re-wire conversion.
A very poor job had been carried out!
The 6.3 volt filament string was series-ed with transformer primary, and the synchronous vibrator
was wired up (quite erronously) as shown in the diagram, above.


Upgrade of vibrator HT power supply to suit 12 volt.

In the configuration shown the 12Volt supply is direct/reverse connected
to the full transformer primary by the switching action of
the vibrator at its "natural" freq (100c/s manuf' label)
Much like a DPDT changeover switch, switching at 100 times a second.
With this more efficient circuit supply current is measured at 3.5A
and HT voltage measured at 300V (6X5 rectifier having been replaced by a pair of silicon diodes)
The audio o/p valve is a 12AQ5


All original waxed paper(Ducon) and electrolytic capacitors upgraded


Many mechanical problems were also attended to, including:
re-string dial pointer
replace tuning shaft flexible coupling
fit upgrade LED dial illumination
18g gusset plate to strengthen front of chassis where flexing had caused cracks and splits etc

The radio now displays good performance (RF sensitivity and audio O/P)
with 'acceptable' current drain,
and is scheduled to be re-installed into the restored motor vehicle
I acknowledge the assistance of John (cool386) with schematic and advise
on the vibrator type HT power supply.
Parts listing
� 1Q 2019