Command Receiver Restoration

In Feb' 2014 I purchased one of the so called "command" type radio receivers.
These were manufactured in large numbers for use in WW 2 military aircraft & ships.
It is an ARC R26 and covers 3 to 6 MHz.





These are uncommon (I think ?) in Australia.
I had this one shipped from the US - bought on Ebay
Very robust construction, the Navy version (black wrinkle paint)
with luminous dial insert and tuning spigot housed inside the lid,
ARC (aircraft radio corporation) branded tubes.







This is the bench lash-up I used to test the radio when I took delivery.
Filaments were energized with 24V AC (all OK).(not shown)
The HT voltage (B+) is then energized ramping up slowly from 0 volt.
Upon increasing the variac, heavy current was evident (B+ line).
This means one or more (or all ?) decoupling capacitors have gone short circuit.
To be expected in a 70 y.o. radio!



Picture shows brass capacitor can (bottom sawed off), contents removed ready for some modern .056uF 630v polyester replacements.
Metal can is then resoldered together.


Click to enlarge


I had the radio shipped through a Florida based international freight forwarder.
They mistakenly identified the 70 year old radio as a piece of modern military hardware!
They refused to sent it on because they thought it may infringe US export arms regulations!
It took over a month of argueing and e-mails to convince them it was just an antique WW 2 radio.
I now have it in my possession, having feared they had disposed of it in the meantime!
Took only 4 days with DHL to get from US to Perth W.A.


Note about connecting loudspeaker.



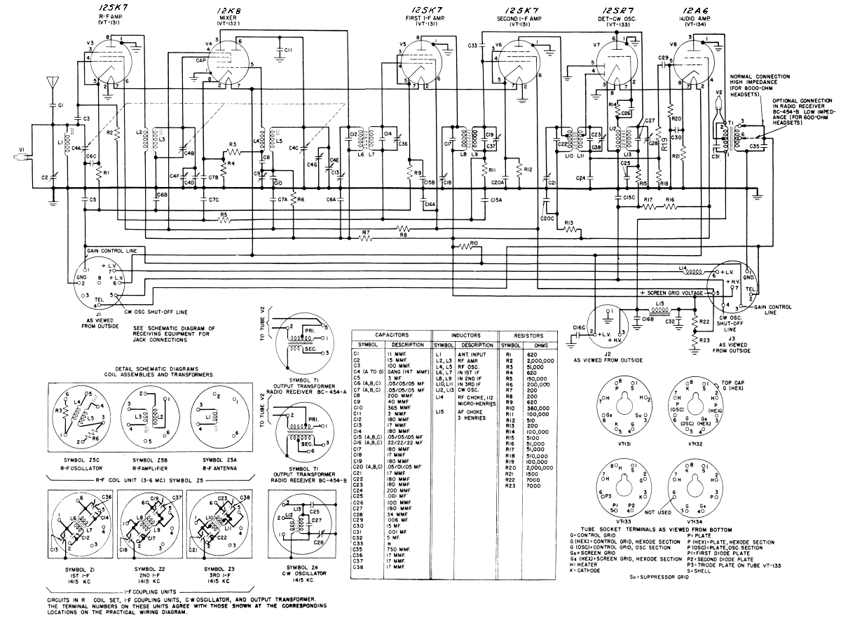
The literature indicates that the audio o/p transformer has an 8:1 ratio.
I infact verified this by removing the 12A6 audio o/p valve and feeding an AC voltage to B+ connection and pin 3 of the valve socket, and measuring the voltage at the "telephone" terminal to gnd.
Impedance transformation is the square of turns ratio ie 8 x 8 = 64
Load impedance of the 12A6 is 7500 Ω.
Therefore Audio O/P matching impedance calculates out to approx 120 Ω.
Good for attracted-armature type headphones.
I've added an extra 4:1 ratio transformer for best match to an 8 Ω loudspeaker.
I get plenty of audio volume now. (see working above)

Note about external "volume" control.



Most of the "hamverted" command receiver schematics show an external volume control of 20K - 50KΩ.
This is really an RF/IF gain control.
The cold end of two cathode resistors (for RF and IF amp) are bussed together and terminated for external connection as "gain control line"
A variable pot' is connected from this point to ground.
I found by using a pot of about 1KΩ gave the best results.
The 50KΩ pot only works over a very small section of rotation because its ohmic value is eighty fold the value of the 620Ω cathode resistors its connected to?
1KΩ was a much better idea I think.
Also these receivers have no AGC, and no audio gain pot' (as most superhet's do)
Still who needs 'em .......... eh?
SSB signals can be difficult to resolve clearly,
and I've found the trick is to wind back the RF/IF gain as far as possible while still being able to receive.
Otherwise too much overloading and a squarky copy results.
Probably because there is no true "product-detector" ?
(good enough on CW though)
My example is now working fine, and seems as good as any other receiver that I've owned.

Command Receivers - further info' 1

Command Receivers - further info' 2

A "Command" radio is really a description of the radio function, rather than a specific type.
The "Command" function is to communicate between aircraft.
The "Liaison" function was to communicate back to base.



Link to page 2

Bob's (W9RAS) excellent video on
command receiver restoration


Michael's (WU2D) excellent video on
command receiver restoration


Modification to include "audio-gain" control

An audio gain control or 'volume control' can be acheived by the following:-
The 12SR7 detector load resistor R18 is replaced with a 500KΩ log-curve pot with the wiper connecting to 12A6 valve grid resistor R19. (see diagram for details)
Thats the easy part, the hard part is fitting 2 pot's, the BFO switch and the spkr jack on the 3" x 2" front panel.
I managed by mounting the 2 pots on the diagonal, one being pull-on switch type (BFO & RF/IF gain) and using a smaller RCA jack for the speaker.