Sinclair X20 20 Watt PWM Amplifier


Schematic redraft:


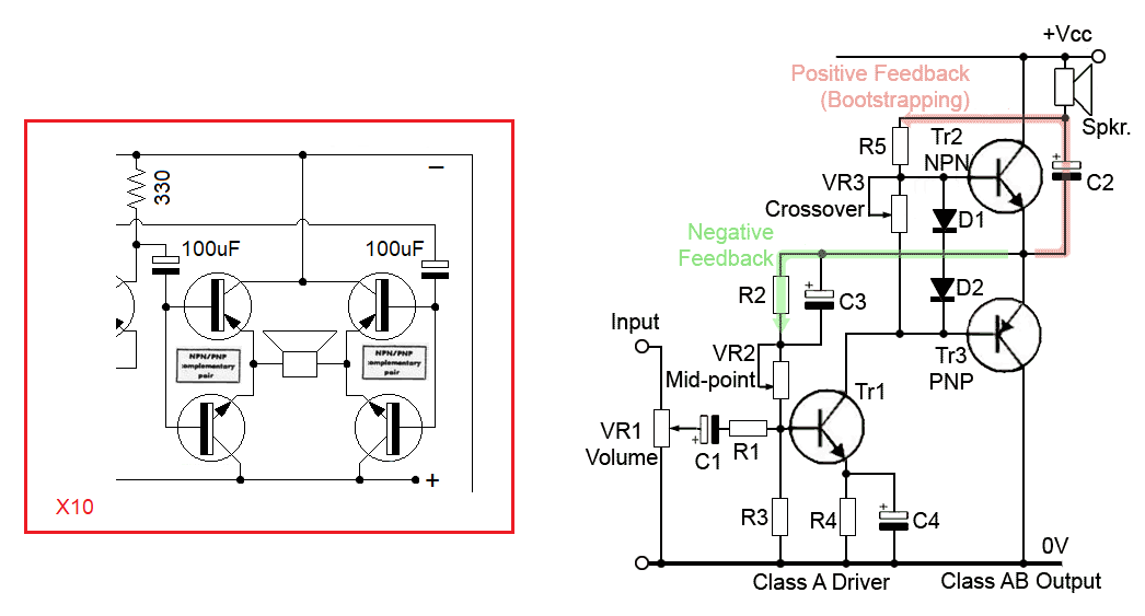
Radio Electronics Sept 1967 article Click to enlarge





Although the X10 has the bridge quad o/p as found in modern Class D (PWM) schematics,
the X20 output stage appears like a linear complementary-symmetry audio circuit?


Anecdotal stories about X10/X20 from web message boards

Jim was working on the X-10 amplifier - the first batch of boards
had been produced as a mirror image, which made them unsaleable!
But with care the boards could be used as prototypes by making the transistors cross their legs.
Which had been enough to show that there were more problems to come!
Not only could the amplifier deliver nowhere near the 10 watts it had been rated at,
but the distortion was not as low as claimed.
Jim had done enough work to convince Clive that it was pretty much a disaster!
But the correct boards had arrived by the time I got there.
Jim was testing them, and putting them as right as he could!
The X-10 had been designed by Cambridge Consultants using an idea
first propounded in Wireless World February 1963
(Link is to - American Radio History archive of the magazine).
It had been designed as a 2.5 watt r.m.s. amplifier.
2.5 watts r.m.s. is a peak power of 5 watts - which figure had been given to Clive.
But there was a misunderstanding - Clive thought this was the r.m.s. value so doubled it!
I have full information on the Z-10 and may write it up in more detail


The technical problems are quite interesting.
Because of the X-10 fiasco,
Clive had Jim working on a new class-D amplifier that would work properly.
This was quite successful when it was released as the X-20.
But there are problems with any switch-mode amplifiers.
To work as audio amplifiers the switching frequency must be
well above the audible range, so well above 20KHz.
So such amplifiers radiate well into the RF making any near-by a.m. radio unusable.
Furthermore, you cannot use them as a stereo pair because
they interfere with each other causing whistling.
Further info (2020):
As stated in the manual, 2 amplifiers may be used in a stereo system.
Connect a wire linking the left hand collectors of the multivibrators together
which will cause them to lock together in frequency – result: no whistles!
Class D has therefore never been used since for audio amplifiers.
It is however the standard way of controlling low voltage motors
where the switching frequency can be significantly lower
and cross interference is not a problem.
But I digress! The X-20 was significantly larger than the X-10,
and had a lot more components.
It was then more expensive to produce.
It was never advertised in Wireless World, but adverts did appear in
some other magazines, starting at the end of 1965 but only for about 3 months.
It was replaced by the Z12.
But for some time Jim Westwood and I were both working hard on different amplifiers:
Jim on the X-10 and X-20 and I on the Z-12.
One day we noticed the ceiling above Jim, which was covered
with polystyrene ceiling tiles (it was 1965!)
into which were stuck the leads of many power transistors
where Jim had been clipping them from X-20s
and they had gone flying, to lodge in the tiles.
There were also some above my space, from Z-12 power transistors.
It very soon became a race to see who could get the most leads stuck into the tiles!
The X-20 seems to have sunk without trace:
a search of the www has revealed no photographs but I have found
a digitisation of an article in Radio-Electronics and Electronics Now, September 1967,
which gives a picture, and the circuit diagram.

My only experience of them was that only about 50% of them actually worked
with all sorts of problems such as dry joints and faulty components.
I remember having to return several for exchange before I got a good one.
Sinclair quality control and testing in the early days seemed to be non existent.
This also happened with their early computers (I think it was the ZX80 or ZX81)

I remember buying one for my son before Christmas and had to return it
when the shops opened again after the holiday.
I was met by a queue of angry parents with the same problem,
saying that their children were in tears when they opened them
as their main present and couldn't get them to work.
It took several months before Sinclair were able to offer replacements
because of the large number of returns.
I also remember buying an early calculator kit
and which I carefully built and again it didn't work.
After studying the circuit board, I found that a piece of track which was continuous
should obviously have been in two separate sections and was causing a short.
After cutting out a piece of the track concerned, it worked perfectly,
but none of those kits would ever have worked as supplied.

Sourced from: Sinclair X10 & X20 information (www.diyaudio.com)

Link: Class D audio amplifiers

© 3Q 2018